Livrare gratuita in Romania pentru comenzile de peste 449,99 lei, cu exceptia produselor grele sau voluminoase, care pot implica o taxa suplimentara de transport
Livrare Gratuită
Opinia clienţilor:
  • Producător: Unimec
  • Cod produs: UMFG16CT50
0
Acest produs beneficiaza de LIVRARE GRATUITA!
6947.09 Lei/buc
Rate lunare de la 578.92 Lei
Stoc limitat, livrare 1-7 zile
buc
Subtotal:
6947.09 Lei
Magazin de încredere 4.8/5
217 recenzii pe Google
Icon
Suna: 0376 448 167
Luni-Vineri: 09 - 17

Descriere

Dotată cu cablu și închidere automată cuarc pe gaz. Lungime standard a furtunului de cauciuc: 2 metri și 200 mm; lungime mărită la cerere Realizată conform normelor: • UNI EN ISO 12100 • UNI EN 349 • UNI EN 10027 • UNI EN 10204 Furnizate cu etichetă de identificare, certificate de conformitate și manual de utilizare și întreținere.

Beneficii

  • Consultanta tehnica de specialitate
  • Posibilitate de returnare in 14 zile
  • Garantia calitatii, echipamente profesionale
  • Solicita oferta de transport

Caracteristici tehnice

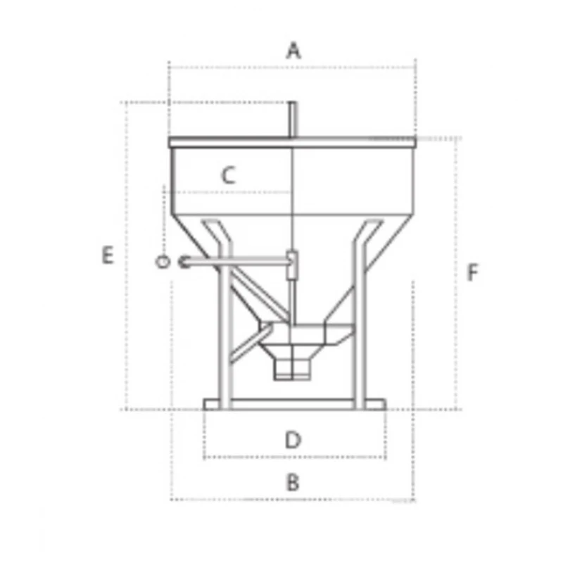
Capacitate500 l
Capacitate1100 kg
Greutate75 kg
Dimensiune A1072 mm
Dimensiune B1040 mm
Dimensiune C617 mm
Dimensiune D810 mm
Dimensiune E1285 mm
Dimensiune F1283 mm
Dimensiune G1100 mm

Opinii

0

0 opinii

  • 5
    0%
  • 4
    0%
  • 3
    0%
  • 2
    0%
  • 1
    0%

Deții sau ai utilizat produsul?

Opinia ta îi poate ajuta și pe alții.

Adauga opinia ta

Fii primul care isi spune opinia despre acest produs :)

Aboneaza-te la Newsletter si te anuntam imediat ce avem reduceri speciale pentru tine